Auto CD.info - Электронные каталоги запчастей для любой техники. Документация по ремонту спецтехники, электросхемы, диагностические программы.       MAX      Whatsapp      Telegramm             E-mail
главная | новости | FAQ | заказать | обратная связь
ВХОД для ЗАРЕГИСТРИРОВАННЫХ ПОЛЬЗОВАТЕЛЕЙ
  логин:    пароль:   

КНИГИ ПО РЕМОНТУ       

 глобальный поиск
 Новый пользователь  Забыли пароль?  Отписаться от рассылки
IN ENGLISH
Все CD
Оформить заказ в магазине запчастей Auto СД
 Каталог марок
 Легковые авто
 Грузовые авто
 Ремонт авто
 Ремонт грузов.
 ОЕМ легковые
 OEM грузовые
 Погрузчики
 Погруз. ремонт
 С/х техника
 Ремонт с/х тех
 Строительная
 Ремонт стр. тех
 Краны
 Краны ремонт
 Моторы
 Ремонт мотор.
 Мото техника
 Ремонт Мото
 Катера, моторы
 Ремонт л.м.
 Диагностика
 VMware сборки
 Европа
 Азия
 Америка
 Япония
 Китай
Прайсы на авто запчасти
Ключи активации
ИСКАТЬ ВЕЗДЕ
 для печати
 Карта сайта
 Авто ссылки

STX280, STX330, STX380, STX430, STX480, STX530 Tractors :

Полная документация по ремонту тракторов Кейс - Case Tractors STX280, STX330, STX380, STX430, STX480, STX530, электрические схемы, схемы гидравлики.

CASE STX/STEIGER 280/330/380/430/480/530 SERIES TRACTORS MASTER TABLE OF CONTENTS
NOTE: Engine repair information is not contained within this tractor Repair Manual. For engine repair, refer to appropriate engine repair manual as follows:
87515687 - For 8.3 & 9.0L 6 Cylinder, 24 Valve CNH Engine with High Pressure Common Rail Fuel System.
87523642 - For 12.9L 6 Cylinder, Engine.


 

 
25 USD

ДОБАВИТЬ В КОРЗИНУ
ВЕРНУТЬСЯ

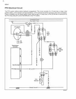
Скриншоты
(Нажмите на маленькую картинку, большая откроется в новом окне)

Нажмите для просмотра, большая картинка откроется в новом окне. Нажмите для просмотра, большая картинка откроется в новом окне. Нажмите для просмотра, большая картинка откроется в новом окне. Нажмите для просмотра, большая картинка откроется в новом окне.

Замеченные конфликты в электронном каталоге STX280, STX330, STX380, STX430, STX480, STX530 Tractors:

Конфликтов не замечено

 Для какого рынка каталог:   Все регионы
 Доступные в программе языки:  Английский
 Поддерживаемые операционные системы:  Vista, Win7 x32, Win7 x64, Win98, Windows 8/10 x64, WinJapan, WinNT, WinXP
 Количество CD/DVD:  1 CD
 Дата обновления данных:  1/2014
 ЦЕНА:  25 USD



Возможно Вас так же заинтересуют эти авто каталоги: ( всего 19 программ )
ПОКАЗАТЬ ВСЕ ПОХОЖИЕ ПРОГРАММЫ

1

Case WX95 Tier 3, WX125 Tier 3, Midi Excavators
документация по ремонту колесных экскаваторов Кейс - Case Wheeled Excavators WX95-WX125, 824 pages, PDF
Информация по ремонту

2

Case 4BG1T, 4JB1, 6HK1T, 6SD1T, 6WG1T, BB-4BG1T, BB-6BG1T, F4BE0484E, F4BE0484E, F4BE0684B, F4BE0684D, F4GE0454C, F4GE0484G, F4GE0484E, F4GE0684F, F4HE0684J
документация по ремонту двигателей Кейс - CASE Engines 4BG1T, 4JB1, 6HK1T, 6SD1T, 6WG1T, BB-4BG1T, BB-6BG1T, F4BE0484E, F4BE0484E, F4BE0684B, F4BE0684D, F4GE0454C, F4GE0484G, F4GE0484E, F4GE0684F, F4HE0684J
Информация по ремонту

3

Case 21D, 121D, 221D, 321D Tier II Small Wheel Loaders
документация по ремонту колесных погрузчиков Кейс - Case 21D, 121D, 221D, 321D Tier II Engine
Информация по ремонту

4

Case 430, 440 Tier II Skid Steers
документация по ремонту техники Кейс - CASE Skid Steers 430, 440 Tier II Engine
Информация по ремонту

5

Case IH AG USA Net 2013
электронный каталог подбора запасных частей и деталей для сельскохозяйственной техники Кейс европейского рынка - CNH NGPC Case Agriculture.
Каталог запчастей

Дизайн сайта креатив-бюро "DoNe" Вопросы и пожелания высылайте на адрес: hodgjunior@gmail.com