Auto CD.info - Электронные каталоги запчастей для любой техники. Документация по ремонту спецтехники, электросхемы, диагностические программы.       MAX      Whatsapp      Telegramm             E-mail
главная | новости | FAQ | заказать | обратная связь
ВХОД для ЗАРЕГИСТРИРОВАННЫХ ПОЛЬЗОВАТЕЛЕЙ
  логин:    пароль:   

КНИГИ ПО РЕМОНТУ       

 глобальный поиск
 Новый пользователь  Забыли пароль?  Отписаться от рассылки
IN ENGLISH
Все CD
Оформить заказ в магазине запчастей Auto СД
 Каталог марок
 Легковые авто
 Грузовые авто
 Ремонт авто
 Ремонт грузов.
 ОЕМ легковые
 OEM грузовые
 Погрузчики
 Погруз. ремонт
 С/х техника
 Ремонт с/х тех
 Строительная
 Ремонт стр. тех
 Краны
 Краны ремонт
 Моторы
 Ремонт мотор.
 Мото техника
 Ремонт Мото
 Катера, моторы
 Ремонт л.м.
 Диагностика
 VMware сборки
 Европа
 Азия
 Америка
 Япония
 Китай
Прайсы на авто запчасти
Ключи активации
ИСКАТЬ ВЕЗДЕ
 для печати
 Карта сайта
 Авто ссылки

Bobcat Loaders Backhoes / Wheel Loaders :

Bobcat Loaders Backhoes / Wheel Loaders документация по ремонту и обслуживанию техники Бобкат - B100, B200, B250, B300, BL275, BL370, BL375, BL470, BL475, BL570, BL575, WL350, WL440, Earthforce, Technical Service Guide

Модели Бобкэт Bobcat Loaders Backhoes / Wheel Loaders -

Bobcat B100
Operation & Maintenance Manuals
S/N 570011001 & Above, 570111001 & Above
S/N 572111001 & Above

Service Manuals
S/N 570011001 & Above, 570111001 & Above
S/N 572111001 & Above

Bobcat B200
Operation & Maintenance Manuals
S/N 570211001 & Above

Service Manuals
S/N 570211001 & Above

Bobcat B250
Operation & Maintenance Manuals
S/N 570311001 & Above
S/N 572211001 & Above
S/N 572911001 & Above

Service Manuals
S/N 570311001 & Above
S/N 572211001 & Above
S/N 572911001 & Above

Bobcat B300
Operation & Maintenance Manuals
S/N 571711001 & Above
S/N 572311001 & Above
S/N 573111001 & Above

Service Manuals
S/N 571711001 & Above
S/N 572311001 & Above
S/N 573111001 & Above

Bobcat BL275
Operation & Maintenance Manuals
S/N 570811001 & Above
S/N 572411001 & Above
S/N 573011001 & Above

Service Manuals
S/N 570811001 & Above
S/N 572411001 & Above

Bobcat BL370
Operation & Maintenance Manuals
S/N 570411001 & Above
S/N 572711001 & Above
S/N 573211001 & Above

Service Manuals
S/N 570411001 & Above
S/N 572711001 & Above

Bobcat BL375
Operation & Maintenance Manuals
S/N 571811001 & Above

Service Manuals
S/N 571811001 & Above

Bobcat BL470
Operation & Maintenance Manuals
S/N 570511001 & Above

Service Manuals
S/N 570511001 & Above

Bobcat BL475
Operation & Maintenance Manuals
S/N 571911001 & Above

Service Manuals
S/N 571911001 & Above

Bobcat BL570
Operation & Maintenance Manuals
S/N 570611001 & Above
S/N 572611001 & Above

Service Manuals
S/N 570611001 & Above
S/N 572611001 & Above

Bobcat BL575
Operation & Maintenance Manuals
S/N 572011001 & Above

Service Manuals
S/N 572011001 & Above

Bobcat WL350
Operation & Maintenance Manual
S/C A99
S/C B81

Service Manual
S/C A99
S/C B81

Bobcat WL440
Operation & Maintenance Manual
S/C A98
S/C B82

Service Manual
S/C B82

Bobcat WL440
Earthforce Operation & Maintenance Manuals
EF2

Service Manuals
EF1, EF1D, EF100, EF2, EF200, EF250, SSK, EF4, EF400, EF4SP, EF5, EF500


 

 
50 USD

ДОБАВИТЬ В КОРЗИНУ
ВЕРНУТЬСЯ

Скриншоты
(Нажмите на маленькую картинку, большая откроется в новом окне)

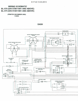
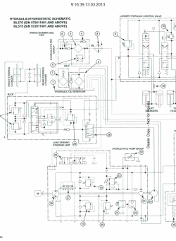
Нажмите для просмотра, большая картинка откроется в новом окне. Нажмите для просмотра, большая картинка откроется в новом окне. Нажмите для просмотра, большая картинка откроется в новом окне. Нажмите для просмотра, большая картинка откроется в новом окне.

Замеченные конфликты в электронном каталоге Bobcat Loaders Backhoes / Wheel Loaders:

Конфликтов не замечено

 Для какого рынка каталог:   Все регионы
 Доступные в программе языки:  Английский
 Поддерживаемые операционные системы:  Vista, Win7 x32, Win7 x64, Win98, Windows 8/10 x64, WinJapan, WinNT, WinXP
 Количество CD/DVD:  1 DVD
 Дата обновления данных:  5/2009
 ЦЕНА:  50 USD



Возможно Вас так же заинтересуют эти авто каталоги: ( всего 34 программ )
ПОКАЗАТЬ ВСЕ ПОХОЖИЕ ПРОГРАММЫ

1

Bobcat Loaders Skid-Steer, All-Wheel Steer
документация по ремонту и обслуживанию техники Бобкат - А220, А300, S70, S100, S130, S150, S160, S175, S185, S205, S220, S250, S300, S330, PDF
Информация по ремонту

2

Bobcat Utility Vehicles
документация по ремонту и обслуживанию техники Бобкат, PDF
Информация по ремонту

3

Bobcat A300 All-Wheel Steer
документация по ремонту для Bobcat A300 All-Wheel Steer
Информация по ремонту

4

Bobcat X100
документация по ремонту мини экскаватора Бобкэт X100 - Bobcat X100
Информация по ремонту

5

Bobcat T300 Turbo, T300 Turbo High Flow
документация по ремонту для Bobcat T300 Turbo, T300 Turbo High Flow
Информация по ремонту

Дизайн сайта креатив-бюро "DoNe" Вопросы и пожелания высылайте на адрес: hodgjunior@gmail.com